充电器芯片阿里巴巴店铺 开关电源芯片关注91免费福利网站 91免费视频成人收藏91免费福利网站 欢迎进入电源芯片/驱动芯片、MOS、IGBT、二三极管、桥堆等电子元器件代理商--91免费福利网站电子官网
高级搜索

搜索一

搜索二

充电管理IC方案

推荐产品

联系91免费福利网站

开关电源芯片
深圳市91免费福利网站电子科技有限公司

电话:0755-23087599

手机:13808858392

邮箱:dunianhua@leweitech.com

地址:深圳市宝安区西乡鹤洲恒丰工业城B11栋5楼东

prevnext

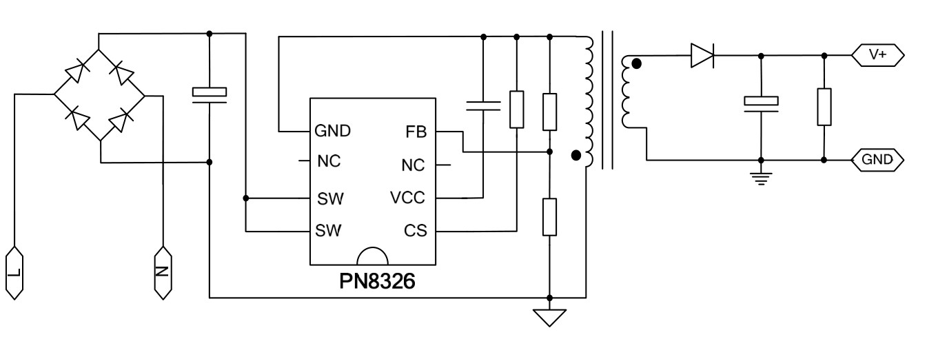
PN8326 LED恒流外置驱动芯片

所属分类:Chipown/芯朋微
品牌:芯朋微
型号:PN8326
封装:DIP8
功率:18W
电流:2.4A-3A
订购热线:0755-23087599
  PN8326产品描述:  
  PN8326包括高精度的恒流原边控制器及功率MOSFET,专用于高可靠、隔离双绕组、极精简外围元器件的中小功率LED照明。该芯片工作在原边调整模式,可省略光耦、TL431;采用了快速DMOS自供电的专利技术可节省变压器辅助绕组和高压启动电阻。该芯片提供了极为全面的自恢复保护功能,包含逐周期过流保护、开环保护、过温保护、Rcs开/短路保护和LED开/短路保护等。内置高压启动电路和极低的芯片功耗有助于获取较高的工作效率。在恒流模式下,电流和输出功率可通过CS脚的Rs电阻进行调节。
  
  PN8326产品特点:  
  ■ 内置700V高雪崩能力的功率MOSFET  
  ■ 内置高压软启动电路可节省外部启动电阻  
  ■ 原边反馈和调节技术可节省光耦和TL431  
  ■ 快速自供电专利技术无需变压器辅助绕组  
  ■ 专利的内置线电压补偿电路  
  ■ ±3% LED恒流精度  
  ■ 恒流输出值可调  
  ■ 0.5%线电压补偿精度  
  ■ 内置原边电感量补偿电路  
  ■ 优异全面的保护功能  
     过温保护 (OTP)   
     逐周期过流保护 (OCP)  
     LED开/短路保护
    专利的CS电阻开/短路保护  
     安全自动恢复模式  
 
  PN8326封装/ 订购信息: 
 
  PN8326典型应用图:
产品中心 关于91免费福利网站 联系91免费福利网站
网站地图