充电器芯片阿里巴巴店铺 开关电源芯片关注91免费福利网站 91免费视频成人收藏91免费福利网站 欢迎进入电源芯片/驱动芯片、MOS、IGBT、二三极管、桥堆等电子元器件代理商--91免费福利网站电子官网
高级搜索

搜索一

搜索二

充电管理IC方案

推荐产品

联系91免费福利网站

开关电源芯片
深圳市91免费福利网站电子科技有限公司

电话:0755-23087599

手机:13808858392

邮箱:dunianhua@leweitech.com

地址:深圳市宝安区西乡鹤洲恒丰工业城B11栋5楼东

prevnext

PN8160_12v2a 超低待机功耗电源芯片

所属分类:Chipown/芯朋微
品牌:芯朋微
型号:PN8160
封装:DIP8
功率:24W
电流:1.5A
订购热线:0755-23087599
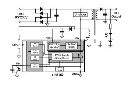
PN8160 超低待机功耗电源芯片内部集成了脉宽调制控制器和功率MOSFET,用于高性能、外围元器件精简的交直流转换开关电源,该芯片提供了极为全面和性能优优异的智能化保护功能,包括周期式过流保护,过载保护,软启动功能。通知QR+CCMECO-modeBurst-mode的三种模式混合调制技术和特殊器件低功耗结构技术实现了超低的待机功耗,全电压范围下的最佳效率。频率调制技术和SoftDriver技术充分保证良好的EMI表现。
 
PN8160芯片特点:
■ 专利高压启动,无需启动电阻,待机功耗小于50mW;
■ QR-PWM + QR-PFM + Burst Mode提高平均效率,精准谷底开通算法,轻松满足六级能效;
■ 自适应PWM工作频率(85/65kHz),减小变压器体积,校正高低压过流点一致性;
■ 内置电流采样管,无需CS电阻,节省成本、提高效率、简化布板;
■ 叠层封装技术,热阻更小,24W无需散热片;高低压脚位两侧排列,更高安全性;
■ 超宽VDD电压8-40V,适合快充应用;
■ 全面保护功能:输出过压保护、VDD欠过压保护、过温保护、过载保护、输出91免费下载入口短路等保护;
■ 超高可靠性:40V BCD平台 + 690V Smart MOSFET;HBM ESD大于4kV;Latchup电流大于200mA。

封装/订购信息

典型应用图
 
  应用领域  
  ■ 待机电源  
  ■ 开放式开关电源  
  ■ 适配器

  PN8160超低待机功耗电源芯片系列采用SOP-8和DIP8封装,有PN8160NEC-T1T、PN8160NEC-T1R、PN8160NEC-T1H、PN8160NEC-T1M、PN8160NEC-T1X、PN8160SEC-R1H几种产品规格,典型应用功率18W-24W,更多pn8160芯片规格书、pn8160应用电路及pn8160设计资料请向91免费福利网站申请。>>


 
产品中心 关于91免费福利网站 联系91免费福利网站
网站地图