充电器芯片阿里巴巴店铺 开关电源芯片关注91免费福利网站 91免费视频成人收藏91免费福利网站 欢迎进入电源芯片/驱动芯片、MOS、IGBT、二三极管、桥堆等电子元器件代理商--91免费福利网站电子官网
高级搜索

搜索一

搜索二

充电管理IC方案

推荐产品

联系91免费福利网站

开关电源芯片
深圳市91免费福利网站电子科技有限公司

电话:0755-23087599

手机:13808858392

邮箱:dunianhua@leweitech.com

地址:深圳市宝安区西乡鹤洲恒丰工业城B11栋5楼东

prevnext

SP3313 车充qc降压芯片

所属分类:优势产品
品牌:Segma/斯帕沃
型号:SP3313
封装:SOP-8L
功率:7.5V ~ 32V
电流:3.5A
订购热线:0755-23087599
  SP3313车充qc降压芯片是一款输入电压,降压转换器,工作在CV(恒定输出电压)模式或CC恒定输出电流)模式。最大输入电压36V,工作输入电压7.5V ~ 32V。  
  内置35mΩ High-Side及25mΩ Low-Side MOSFET,可以提供高达3.5A的连续输出电流,输出电流精确到±7%以内,可支持100%占空比,无需外部补偿,可以依靠自身内置稳定环路实现恒流以及恒压控制,同时具备线缆压降补偿功能。  
  SP3313车充降压芯片独立输出电压保护适用于BC1.2和QC2.0/3.0双通道输出电压,是一款功能齐全、高性能、高可靠性的降压式DC-DC变换器。
  
  SP3313车充qc降压芯片特点  
  ■ 极限可支持100%占空比  
  ■ 内置High-side和Low-side MOSFET  
  ■ 最大输出电流:3.5A  
  ■ 可调输出电压,VFB=1.0V  
  ■ 优异的恒流精度:±7%  
  ■ 恒压精度:±2%  
  ■ 内置抖频功能  
  ■ 效率:高达 95%  
  ■ 无需外部补偿  
  ■ 短路保护(SCP)  
  ■ 过压保护(OVP)  
  ■ 过热保护(OTP)  
  ■ 欠压保护(UVLO)  
  ■ 提供 SOP-8L 封装
  
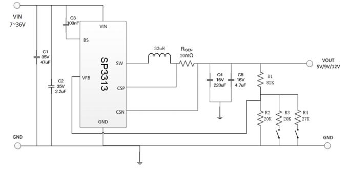
  典型应用电路图
  
  应用领域  
  ■ 车载充电器  
  ■ 壁式充电器  
  ■ 电源板/集线器  
  ■ 便携式充电装置  
  ■ 汽车DVD  
  ■ 黑盒  
  ■ 工业应用  
  ■ 其他
  
  SP3313是一款高输入电压、输出高精度恒压恒流以及支持占空比的DC/DC降压芯片,当用于车充产品时,插入点烟器请尽量利用电源的负极弹片来帮助产品散热,并可以考虑增加弹片与GND的焊接面积,这样弹片在作为负极输入的同时,也可以是系统的一个极好的散热片。更多SP3313 车充qc降压芯片产品手册和应用资料请向91免费福利网站电子申请。>>
产品中心 关于91免费福利网站 联系91免费福利网站
网站地图