充电器芯片阿里巴巴店铺 开关电源芯片关注91免费福利网站 91免费视频成人收藏91免费福利网站 欢迎进入电源芯片/驱动芯片、MOS、IGBT、二三极管、桥堆等电子元器件代理商--91免费福利网站电子官网
高级搜索

搜索一

搜索二

充电管理IC方案

推荐产品

联系91免费福利网站

开关电源芯片
深圳市91免费福利网站电子科技有限公司

电话:0755-23087599

手机:13808858392

邮箱:dunianhua@leweitech.com

地址:深圳市宝安区西乡鹤洲恒丰工业城B11栋5楼东

prevnext

XPD730 20W A+C 双口PD协议芯片

所属分类:FM/富满系列
品牌:FM/富满
型号:XPD730B、XPD730BP、XPD730BPA
封装:TSSOP16
功率:5V,9V,12V
电流:2.4A
订购热线:0755-23087599
  XPD730芯片系列是一款集成 USB Type-C、USB Power Delivery(PD)2.0/3.0 以及 PPS、QC3.0+/QC3.0/QC2.0 快充协议、华为 FCP/SCP/HVSCP 快充协议、三星 AFC 快充协议、BC1.2DCP 以及苹果设备 2.4A 充电规范的多功能 USB Type-C 和 Type-A 双端口控制器。  
  XPD730双口PD协议芯片内置的 Type-C 协议可以支持 Type-C 设备插入自动唤醒,智能识别插头的正插与反插,并实现连接。XPD730 集成的 PD 协议支持双向标记编码(BMC),集成硬件的物理层协议和协议引擎,无需软件参与编解码。  
  当 Type-C 和 Type-A 其中一个端口接入设备时,Type-C 或 Type-A 端口都可以实现独立的快充功能。当 Type-C 和 Type-A 都接入设备时,XPD730 会将输出电压降至 5V 给设备供电。特别的,当 Type-A 口一直连接苹果充电线但未接入苹果手机时,Type-C 口仍然有快充功能。作为充电器应用时,充电线会经常与充电器连接在一起。XPD730 完美解决了 Type-A 和 Type-C 口连接充电线应用时的快充难题。此外,Type-A 口充饱关断电流阈值低至 10mA,可支持智能穿戴设备小电流充电。  
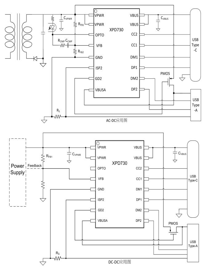
  XPD730 A加C双口协议识别芯片通过一路可 Sink/Source 的电流源,连接到 AC-DC 或 DC-DC 的反馈引脚实现动态调节电压。不管是启动还是调压过程,都具备软启动功能,实现电压平顺过渡。  
  XPD730 双口PD协议芯片内建多种保护机制确保设备安全:包括动态过压/欠压/过流保护(可根据设备请求的工作电压/电流按照比例调整保护点);启动监测(VBUS 输出前会监测端口电压是否处于安全状态)。  
  XPD730 集成 10mΩ VBUS 功率开关管,集成 10 mΩ电流检测电阻,内置 VPWR 和 VBUS双放电通路,节省了外围器件,发生错误时可以快速关闭输出并恢复到安全状态。
  
  XPD730芯片特性  
  ■ 通过 USB PD3.0 认证(TID:3479)  
  ■ 支持 USB Type -C 协议  
  - 配置为 DFP(Source)  
  - 广播 3A/1.5A 电流  
  ■ 支持 USB Power Delivery(PD)2.0 和 3.0以及 PPS 协议  
  - 集成完整 PD 分层通信协议  
  - PDO 可配置:5V,9V,12V  
  - APDO 可配置:5V Prog,9V Prog  
  ■ 支持 Quick Charge 3.0+/3.0/2.0 协议  
  - 支持小米 CHARGE TURBO 27W 协议  
  ■ 支持华为 FCP/SCP/HVSCP 协议  
  ■ 支持三星 AFC 协议  
  ■ 支持 USB BC1.2 DCP  
  ■ 支持 Apple 2.4A 充电规范  
  ■ 集成恒压(CV)环路控制  
  ■ 集成 10mΩ VBUS 通路功率开关管  
  ■ 支持 Apple 2.4A 充电规范  
  ■ 集成 CC、CV 控制环路  
  ■ 集成 10mΩ电流检测电阻  
  ■ 内置 VPWR 和 VBUS 双放电通路  
  ■ 支持线损补偿功能  
  ■ 支持 USB Type-A 和 Type-C 双口工作模式  
  - 独立工作都有快充,同时工作回 5V  
  - A 口连接苹果充电线但未接入苹果手机时,C 口仍然有快充  
  ■ A 口充饱关断电流阈值 10mA,小电流充电  
  ■ 安全性  
  - 过压/欠压保护  
  - 过流保护  
  - 过温保护  
  ■ CC1/CC2/DP1/DM1/DP2/DM2 过压保护  
  ■ ESD 特性± 4KV  
  ■ Package: TSSOP-16
  
  xpd730芯片引脚定义
  
  xpd730应用电路图
  
  订购信息
料号 USB Type-C 端口 PDO 和 APDO 配置 QC配置 印字 封装
XPD730B PDO : 5V/3A, 9V/2.22A, 12V/1.67A ClassA  
 
XPD730
XXXXX
 
 
TSSOP16
3K/盘
 
XPD730BP
PDO : 5V/3A, 9V/2.22A, 12V/1.67A
APDO1 : 3.3-5.9V/3A
APDO2 : 3.3-11V/1.8A
 
ClassA
 
XPD730BPA
PD0:5V/3A,9V/2.22A,12V/1.67A
APD01:3.3-5.9V/3A
APD02:3.3-11V2A
 
ClassA
  
  应用领域  
  ■ AC-DC 适配器  
  ■ USB 充电设备
  
  富满XPD730芯片系列XPD730B、XPD730BP、XPD730BPA采用 TSSOP16 封装,外围简洁,很容易通过 USB PD 认证测试,是USB Type-C PD 和 Type-A 双端口控制器,广泛应用于 AC-DC 适配器、USB 充电设备等领域,更多XPD730芯片产品手册、应用电路、xpd730系列规格书等应用资料请向91免费福利网站电子申请。>>
产品中心 关于91免费福利网站 联系91免费福利网站
网站地图