充电器芯片阿里巴巴店铺 开关电源芯片关注91免费福利网站 91免费视频成人收藏91免费福利网站 欢迎进入电源芯片/驱动芯片、MOS、IGBT、二三极管、桥堆等电子元器件代理商--91免费福利网站电子官网
高级搜索

搜索一

搜索二

充电管理IC方案

推荐产品

联系91免费福利网站

开关电源芯片
深圳市91免费福利网站电子科技有限公司

电话:0755-23087599

手机:13808858392

邮箱:dunianhua@leweitech.com

地址:深圳市宝安区西乡鹤洲恒丰工业城B11栋5楼东

prevnext

XPD767 A+C 65W协议芯片支持XPD-LINK™互联

所属分类:FM/富满系列
品牌:FM/富满
型号:XPD767系列
封装:TSSOP-20/QFN20
功率:65W
电流:5V,9V,12V,15V,20V
订购热线:0755-23087599
  XPD767芯片已经通过了USB PD3.0认证,TID:3479。支持QC2.0/3.0/3.0+、AFC、FCP、SCP、HVSCP、PD和PPS等快充协议,内部集成 10mΩ VBUS 通路功率开关管,并且集成10mΩ电流检测电阻,支持完善的保护功能,节省外围元件数量,简化电路,降低成本。
  
  XPD767 是一款集成 USB Type-C、USB Power Delivery(PD) 3.0/2.0 以及 PPS、QC3.0/2.0CLASS B 快充协议、华为 FCP/SCP 快充协议、三星 AFC 快充协议、BC1.2 DCP 以及苹果设备 2.4A 充电规范的多功能 USB 双端口控制器,为 AC-DC 适配器、移动电源、车载充电器等设备提供完整的 Type-C 和 Type-A 双端口充电解决方案。
  
  XPD767 特别的集成了 XPD-LINK™互联通信专利技术。通过 XPD-LINK™互联功能,XPD767 可以简单灵活的应用在多个 Type-C 和 Type-A 端口的充电方案中。
  
  XPD767 内置的 TYPE-C 协议可以支持 TYPE-C 设备插入自动唤醒系统,智能识别插头的正插与反插,并实现连接。集成的 TYPE-C PD3.0 协议支持双向标记编码(BMC),集成硬件的物理层协议和协议引擎,无需软件参与编解码。
  
  当 Type-C 和 Type-A 其中一个端口接入备时,Type-C 或 Type-A 端口都可以实现独立的快充功能。当 Type-C 和 Type-A 都接入设备时,XPD767 会将输出电压降至 5V 给设备供电。特别的,当 Type-A 口一直连接苹果充电线但未接入苹果手机时,Type-C 口仍然有快充功能。作为充电器应用时,充电线会经常与充电器连接在一起。XPD767 完美解决了 Type-A 和 Type-C 口连接充电线应用时的快充难题。此外,Type-A 口充饱关断电流阈值低至 10mA,可支持智能穿戴设备小电流充电。
  
  XPD767 通过一路可 Sink/Source 的电流源,连接到 AC-DC 或 DC-DC 的反馈引脚实现动态调节电压的功能,不管是启动还是调压过程,都具备软启动/调压功能,实现电压平顺过渡。
  
  XPD767 内建多种保护机制确保设备安全:包括动态过压/欠压/过流保护(可根据设备请求的工作电压/电流按照比例调整保护点);启动监测(VBUS 输出前会监测端口电压是否处于安全状态)。
  
  XPD767 集成 10mΩ VBUS 通路功率开关管和内部放电通路,节省了外围器件,在发生错误时可以快速关闭输出并恢复到安全状态。
  
  XPD767 采用 TSSOP-20 和 QFN4x4-20 封装。应用中外围电路非常简洁,可以轻松通过 USB PD 认证测试。
  
  XPD767芯片特性  
  ■ 通过 USB PD3.0 认证(TID:3479)  
  ■ 支持 XPD-LINKTM多芯片互联通信技术  
  ■ 支持 USB Type-C 协议  
  ■ 支持 USB Power Delivery(PD)3.0 以及PPS 协议  
  - PDO 可配置:5V,9V,12V,15V,20V  
  - 输出功率高至 65W  
  - APDO 可配置:5V Prog,9V Prog,15VProg,20V Prog  
  ■ 支持 Quick Charge 2.0/3.0/3.0+协议  
  - 支持小米 CHARGE TURBO 27W 协议  
  ■ 支持华为 FCP/SCP/HVSCP 协议  
  - 支持华为 10V 高压 SCP 协议  
  ■ 支持三星 AFC 协议  
  ■ 支持 USB BC1.2 DCP  
  ■ 支持 Apple 2.4A 充电规范  
  ■ 集成恒压(CV)补偿环路  
  ■ 集成 10mΩ VBUS 通路功率开关管  
  ■ 集成 10mΩ电流检测电阻  
  ■ 内置 VPWR 和 VBUS 双放电通路  
  ■ 支持线损补偿功能  
  ■ 支持 USB Type-A 和 Type-C 双口工作模式  
  -独立工作都有快充,同时工作回 5V  
  - A 口连接苹果充电线但未接入苹果手机时,C 口仍然有快充  
  ■ A 口充饱关断电流阈值 10mA,小电流充电  
  ■ 安全性  
  - A 口采用电源端控制避免短路引发漏电  
  - 过压/欠压保护  
  - 过流保护  
  - 过温保护  
  ■ CC1/CC2/DP1/DM1/DP2/DM2 过压保护  
  ■ ESD 特性±4KV  
  ■ Package:TSSOP-20 和 QFN20
  
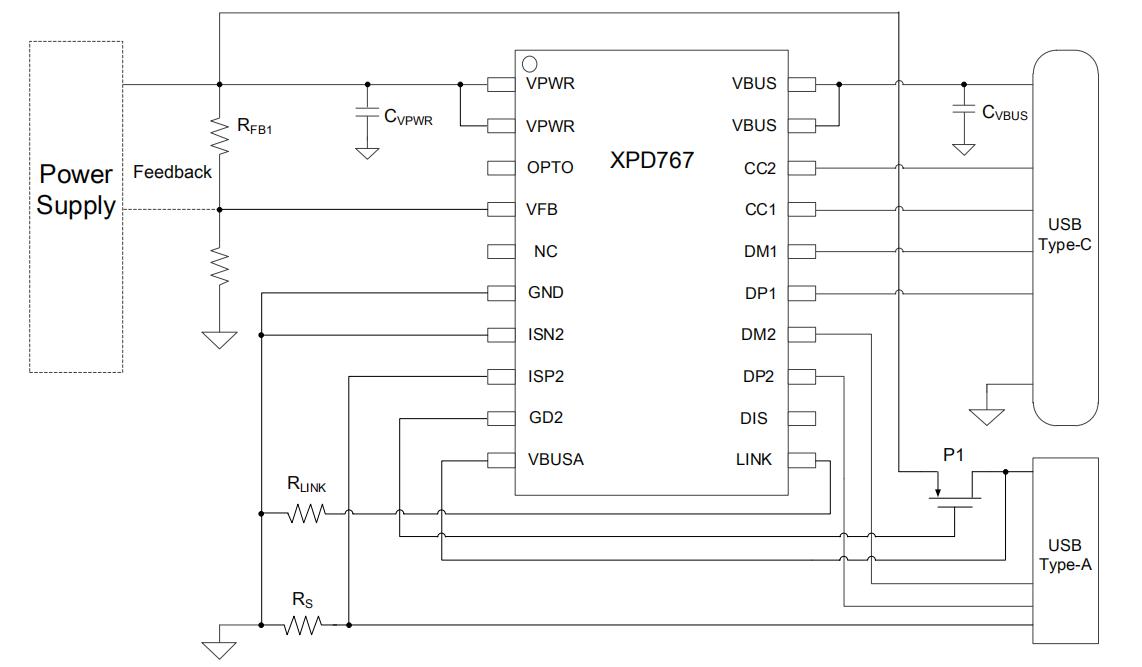
  典型应用电路图
  
  应用领域  
  ■ AC-DC 适配器  
  ■ 带 USB 端口排插  
  ■ USB 多口充电设备
  
  XPD767系列订购信息
料号 USB Type-C 端口 PDO 和 APDO 配置 QC 配置 包装
XPD767B18 高功率 PDO:5V/3A, 9V/2A, 12V/1.5A
低功率 PDO:5V/3A
Class A  
 
 
 
 
 
 
 
 
 
 
 
 
 
 
 
 
 
 
 
TSSOP-20
2.5K/盘
 
 
XPD767BP18
高功率 PDO:5V/3A, 9V/2A, 12V/1.5A
高功率 APDO1:3.3-5.9V/3A
高功率 APDO2:3.3-11V/1.65A
低功率 PDO:5V/3A
 
 
Class A
XPD767A 高功率 PDO:5V/3A, 9V/2.22A
低功率 PDO:5V/3A
Class A
 
XPD767B 高功率 PDO:5V/3A, 9V/2.22A, 12V/1.67A
低功率 PDO:5V/3A
Class A
 
XPD767D30A 高功率 PDO:5V/3A,9V/3A,12V/2.5A,15V/2A,20V/1.5A
低功率 PDO:5V/3A
Class B
 
XPD767D30 高功率 PDO:5V/3A,9V/3A,12V/2.5A,15V/2A,20V/1.5A
低功率 PDO:5V/3A, 9V/1.75A
Class A
 
 
XPD767DP30
高功率 PDO:5V/3A,9V/3A,12V/2.5A,15V/2A,20V/1.5A
高功率 APDO1:3.3-11V/3A
高功率 APDO2:3.3-16V/2A
低功率 PDO:5V/3A, 9V/1.75A
 
Class A
 
XPD767D45 高功率 PDO:5V/3A,9V/3A,12V/3A,15V/3A,20V/2.25A
低功率 PDO:5V/3A, 9V/2.5A, 12V/2A, 15V/1.5A
Class A
 
 
 
 
XPD767DP45
高功率 PDO:5V/3A,9V/3A,12V/3A,15V/3A,20V/2.25A
高功率 APDO1:3.3-11V/3A
高功率 APDO2:3.3-16V/2.8A
低功率 PDO:5V/3A, 9V/2.5A, 12V/2A, 15V/1.5A
低功率 APDO1:3.3-11V/2A
低功率 APDO2:3.3-16V/1.4A
 
 
Class A
 
XPD767D60 高功率 PDO:5V/3A, 9V/3A, 12V/3A, 15V/3A, 20V/3A
低功率 PDO:5V/3A,9V/3A,12V/2.5A,15V/2A,20V/1.5A
Class B
 
 
 
XPD767DP60
高功率 PDO:5V/3A, 9V/3A, 12V/3A, 15V/3A, 20V/3A
高功率 APDO1:3.3-16V/3A
高功率 APDO2:3.3-21V/2.85A
低功率 PDO:5V/3A,9V/3A,12V/2.5A,15V/2A,20V/1.5A
低功率 APDO1:3.3-16V/1.9A
低功率 APDO2:3.3-21V/1.4A
 
 
 
Class B
 
XPD767D65 高功率 PDO:5V/3A,9V/3A,12V/3A,15V/3A,20V/3.25A
低功率 PDO:5V/3A,9V/3A,12V/2.5A,15V/2A,20V/1.5A
Class B
 
 
 
 
XPD767DP65
高功率 PDO:5V/3A,9V/3A,12V/3A,15V/3A,20V/3.25A
高功率 APDO1:3.3-16V/3.25A
高功率 APDO2:3.3-21V/3A
低功率 PDO:5V/3A,9V/3A,12V/2.5A,15V/2A,20V/1.5A
低功率 APDO1:3.3-16V/2A
低功率 APDO2:3.3-21V/1.5A
 
 
Class B
XPD767D6545 高功率 PDO:5V/3A,9V/3A,12V/3A,15V/3A,20V/3.25A
低功率 PDO:5V/3A,9V/3A,12V/3A,15V/3A,20V/2.25A
Class B
 
 
 
XPD767DP6545
高功率 PDO:5V/3A,9V/3A,12V/3A,15V/3A,20V/3.25A
高功率 APDO1:3.3-16V/3.25A
高功率 APDO2:3.3-21V/3A
低功率 PDO:5V/3A,9V/3A,12V/3A,15V/3A,20V/2.25A
低功率 APDO1:3.3-16V/2.8A
低功率 APDO2:3.3-21V/2.1A
 
 
Class B
 
XPD767D6518 高功率 PDO:5V/3A,9V/3A,12V/3A,15V/3A,20V/3.25A
低功率 PDO:5V/3A,9V/2A,12V/1.5A
Class A
XPD767QXXXXX 参考相应的 TSSOP20 封装   QFN20
4K/盘
  
  XPD767 A+C 65W协议芯片采用TSSOP-20和QFN20封装,是支持 XPD-LINK™互联USB双端口控制器,XPD-LINK互联技术让芯片之间通过单线总线传输信息,从而可以简单灵活的组成多USB-C口和多USB-A口的充电方案,更多XPD767芯片系列规格书及相关应用资料请向91免费福利网站申请。>>
产品中心 关于91免费福利网站 联系91免费福利网站
网站地图