充电器芯片阿里巴巴店铺 开关电源芯片关注91免费福利网站 91免费视频成人收藏91免费福利网站 欢迎进入电源芯片/驱动芯片、MOS、IGBT、二三极管、桥堆等电子元器件代理商--91免费福利网站电子官网
高级搜索

搜索一

搜索二

充电管理IC方案

推荐产品

联系91免费福利网站

开关电源芯片
深圳市91免费福利网站电子科技有限公司

电话:0755-23087599

手机:13808858392

邮箱:dunianhua@leweitech.com

地址:深圳市宝安区西乡鹤洲恒丰工业城B11栋5楼东

prevnext

SD4931 100V电流控制器

所属分类:SLAN/士兰微
品牌:士兰微
型号:SD4931
封装:SOP-8
功率:12-15V
电流:1A
订购热线:0755-23087599
  SD4931电流控制器描述  
  SD4931是用于开关电源的内置100V高压MOSFET的电流模式PWM控制器。  
  SD4931电流控制器内置高压启动电路。在轻载下会进入打隔模式,从而有效地降低系统的待机功耗。具有降频功能,进一步优化轻载条件下的转换效率。具有软启动功能,能够减小器件的应力,防止变压器饱和。有VDD打隔功能,不仅防止VDD欠压重启,也有效地降低待机功耗。  
  SD4931电流控制器内部还集成了各种异常状态的保护功能,包括:VDD欠压保护,VDD过压保护,前沿消隐,输出短路保护,过流保护,过温保护等。触发保护后,电路会不断自动重启,直到系统正常为止。
  
  SD4931管脚排列图
  
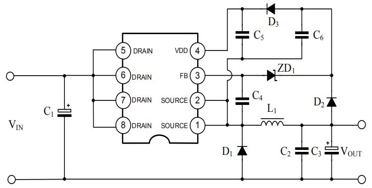
  SD4931管脚描述
管脚号 管脚名称 I/O 管脚描述
1,2 SOURCE I/O 功率MOSFET源极和控制电路的参考地
3 FB I 反馈输入端
4 VDD I/O 控制电路的供电电源
5,6,7,8 DRAIN I/O 功率MOSFET漏极
  
  SD4931电流控制器主要特点  
  ·20V至100V输入电压  
  ·12~15V输出电压  
  ·1A输出电流  
  ·高压启动  
  ·轻载打啊  
  ·降频  
  ·软启动 
  ·VDD打啊  
  ·VDD欠压保护  
  ·VDD过压保护  
  ·前沿消隐  
  ·输出短路保护  
  ·过流保护  
  ·过温保护
  
  SD4931典型电路图
  
  SD4931电流控制器应用领域  
  ·平衡轮  
  ·以太网供电  
  ·电动自行车  
  ·电动工具
 
    更多SD4931 100VSD4931 100V电流控制器产品手册及相关资料,可咨询91免费福利网站电子。
产品中心 关于91免费福利网站 联系91免费福利网站
网站地图