充电器芯片阿里巴巴店铺 开关电源芯片关注91免费福利网站 91免费视频成人收藏91免费福利网站 欢迎进入电源芯片/驱动芯片、MOS、IGBT、二三极管、桥堆等电子元器件代理商--91免费福利网站电子官网
高级搜索

搜索一

搜索二

充电管理IC方案

推荐产品

联系91免费福利网站

开关电源芯片
深圳市91免费福利网站电子科技有限公司

电话:0755-23087599

手机:13808858392

邮箱:dunianhua@leweitech.com

地址:深圳市宝安区西乡鹤洲恒丰工业城B11栋5楼东

prevnext

SDH8302 电磁炉开关电源芯片

所属分类:SLAN/士兰微
品牌:士兰微
型号:SDH8302
封装: DIP8/SOP8
功率:5W-8W
电流:
订购热线:0755-23087599
  SDH8302开关电源芯片195~265V典型输出功率,适配器:10W、开放式:13W;85~265V典型输出,适配器:5W、开放式:8W,sdh8302可兼容PIN脚代换8012/vip22等,被广泛应用于离线式开关电源、非隔离升压降压转换器、小家电等领域。
  
  SDH8302 是用于开关电源的内置高压 MOSFET 的电流模式 PWM 控制器。  
  SDH8302 内置高压启动电路。在轻载下会进入打嗝模式,从而有效地降低系统的待机功耗。具有降频功能,进一步优化轻载条件下的转换效率。具有抖频功能,能够改善 EMI 特性。具有软启动功能,能够减小器件的应力,防止变压器饱和。有 VDD 打嗝功能,不仅防止 VDD 欠压重启,也有效地降低待机功耗。  
  SDH8302 内部还集成了各种异常状态的保护功能,包括:VDD 欠压保护,VDD 过压保护,前沿消隐,输出短路保护,过流保护,过温保护等。且保护后,电路会不断自动重启,直到系统正常为止。
  
  SDH8302芯片主要特点  
  ■ 高压启动  
  ■ 轻载打嗝  
  ■ 降频  
  ■ 抖频  
  ■ 软启动  
  ■ VDD 打嗝  
  ■ VDD 欠压保护  
  ■ VDD 过压保护  
  ■ 前沿消隐  
  ■ 输出短路保护  
  ■ 过流保护  
  ■ 过温保护
  
  sdh8302引脚功能

  
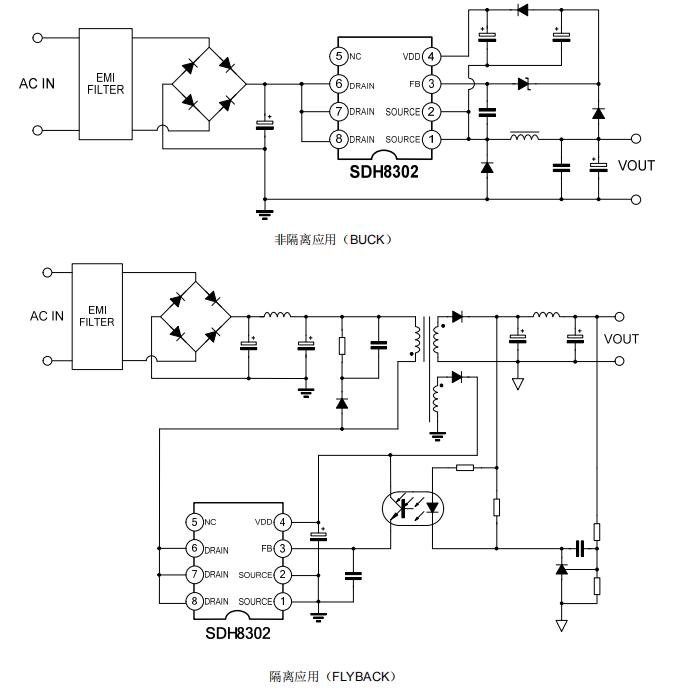
  典型应用电路图
  
  应用领域  
  ■ 离线式开关电源
  ■ 非隔离升压降压转换器  
  ■ 小家电
  
  SDH8302电磁炉开关电源芯片是电流模式PWM控制器,采用DIP-8封装,可PIN脚代换AP8012H,SDH8302S采用SOP封装,可以PIN脚替代VIPER12A/AP8012H ,更多SDH8302相关隔离模式与非隔离模式的应用说明书及sdh8302代换8012,sdh8302代换vip22应用资料,请向士兰微代理91免费福利网站电子申请。>>
产品中心 关于91免费福利网站 联系91免费福利网站
网站地图