推荐产品
联系91免费福利网站
深圳市91免费福利网站电子科技有限公司
电话:0755-23087599
传真:0755-23082933
邮箱:yishanbo@leweitech.com
地址:深圳市宝安74区怡园路5173号润丰源商务大厦A栋405
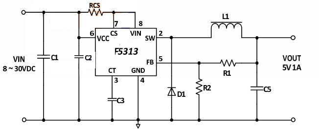
F5313产品描述:
F5311车充专用ICESOP-8封装,5V 1A 小体积车充方案,温升和电压都非常好,可提供全套方案资料及DEMO板,性价比高!
F5311车充专用ICESOP-8封装,5V 1A 小体积车充方案,温升和电压都非常好,可提供全套方案资料及DEMO板,性价比高!
F5313产品特点:
1. 电路简单,产品体积小
2. 芯片价格超低,产品总成本超低
3. 输出电流超过1A,输入电压8-36V
4. 芯片采购ESOP-8封装,过温保护等功能
6. 无需加共模电感等通过CEFCCEMI等认证
7. 可以做单面板,布板简单
典型应用图

典型应用图

阿里巴巴店铺
关注91免费福利网站
收藏91免费福利网站






