推荐产品
联系91免费福利网站
深圳市91免费福利网站电子科技有限公司
电话:0755-23087599
传真:0755-23082933
邮箱:yishanbo@leweitech.com
地址:深圳市宝安区西乡鹤洲恒丰工业城B11栋5楼东
F5335产品描述:
F5335是单片集成电路提供所有的活性功能降压CC /简历开关式稳压器开车3负载的能力。9.5 v的输入电压范围宽40 v使F5335适合调节权力从各种各样的来源包括24 v
F5335是单片集成电路提供所有的活性功能降压CC /简历开关式稳压器开车3负载的能力。9.5 v的输入电压范围宽40 v使F5335适合调节权力从各种各样的来源包括24 v
工业用品和汽车电池。活跃的CC是一个专利控制方案实现最高精度传感器不恒流控制。
F5335提供了一个完整的设计使用最小数量的外部组件。
F5335也建立了可编程软启动、输出过流保护、输出短路保护、热停堆和输出电缆补偿功能。
F5335产品特点:
高端电源开关内部140
响了9.5 v ~ 40 v VIN操作
固定200千赫切换频率
过电流保护
3一个恒定的输出电流能力
5%准确的输出电流控制
优秀的线和负载调节
内部可编程软启动
输出短路保护
逐周期电流限制保护
输出线电压降补偿
内部热关机(TSD)
SOP8-EP封装
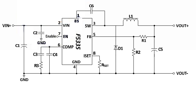
典型应用图

典型应用图

阿里巴巴店铺
关注91免费福利网站
收藏91免费福利网站










