充电器芯片阿里巴巴店铺 开关电源芯片关注91免费福利网站 91免费视频成人收藏91免费福利网站 欢迎进入电源芯片/驱动芯片、MOS、IGBT、二三极管、桥堆等电子元器件代理商--91免费福利网站电子官网
高级搜索

搜索一

搜索二

充电管理IC方案

推荐产品

联系91免费福利网站

开关电源芯片
深圳市91免费福利网站电子科技有限公司

电话:0755-23087599

手机:13808858392

邮箱:dunianhua@leweitech.com

地址:深圳市宝安区西乡鹤洲恒丰工业城B11栋5楼东

prevnext

XL7016_降压直流电源芯片 XL7016

所属分类:XL/芯龙系列
品牌:芯龙
型号:XL7016
封装:SOP8L-EP
功率:60W
电流:0.5A
订购热线:0755-23087599
XL7016产品描述:
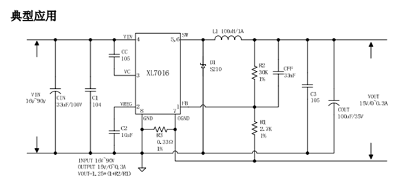
XL7016 是一款高效、高压降压型DC-DC转换器,固定150KHz开关频率,可提供最高0.5A输出电流能力,低纹波,出色的线性调整率与负载调整率。XL7016内置固定频率振荡器与频率补偿电路,简化了电路设计。PWM 控制环路可以调节占空比从0~100%之间线性变化。

XL7016产品特点:
12V至90V工作电压范围
最大占空比100%
最小压降0.5V
输出电压从1.25V至VIN-2V可调
5V输出时最大0.5A输出电流
15V输出时最大0.3A输出电流
固定150KHz开关频率
最大输出功率小于5W
内置高压功率MOSFET
效率高达85%
出色的线性与负载调整率
内置限流功能
内置输出短路保护功能
SOP8-EP封装

典型应用图




产品中心 关于91免费福利网站 联系91免费福利网站
网站地图