富满20-65W PD协议芯片
字号:T|T
伴随苹果iphoness 12的发布,苹果、安卓新机不再附送充电器,给充电器配件市场带来了前所未有的需求增长,激发了USB PD充电器市场的需求爆发,富满云矽半导体专注研发USB PD相关产品,推出了一系列USB PD控制器,XPD720 XPD319 XPD737 XPD738系列20W-65W单口、多口PD协议芯片。
XPD319 USB Type-C PD 多协议控制器是一款集成 USB Type-C、USB Power Delivery(PD3.0)以及 PPS、QC3.0+/QC3.0/QC2.0 快充协议、华为 FCP 快充协议、三星 AFC 快充协议、BC1.2 DCP以及苹果设备 2.4A 充电规范的多协议端口控制器,为 AC-DC 适配器、车载充电器等设备提供高性价比的 USB Type-C 端口充电解决方案。

XPD720应用在单个USB端口充电设备,是一款经典的快充协议芯片,集成了10mΩ VBUS通路功率开关管和10mΩ电流检测电阻,具有集成度高,外围元件少的特点,是云矽零外围过认证PD家族的新一代产品,具有工业级8KV ESD特性,为产品提供优良可靠性。

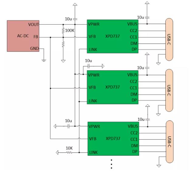
XPD737多口控制器系列采用ESOP8封装,内部集成 10mΩ VBUS 通路管,并且集成10mΩ电流检测电阻,支持完善的保护功能,具有XPD-LINK功能,XPD-LINK互联技术让芯片之间通过单线总线传输信息,从而可以简单灵活的组合成多个Type-C和Type-A端口的充电方案,降低外围元件数量,简化电路,降低成本。

XPD738双口控制器系列,应用在1C1A双端口充电设备,在A口连接苹果充电线但未接入苹果手机时,C口仍然有快充。XPD738秉承云矽全集成设计思路,也集成了10mΩ VBUS通路功率开关管和10mΩ电流检测电阻。对于1C1A 20W配置的充电设备,XPD738是当之无愧的不二之选。

富满XPD319、XPD720、XPD737、XPD738 20W-65W单口、多口PD协议芯片支持QC2.0/3.0/3.0+、AFC、FCP、SCP、HVSCP、PD和PPS等主流快充协议,为 AC-DC 适配器、移动电源、车载充电器等设备提供完整的 USB Type-C 端口充电解决方案,更多富满PD协议芯片系列详细产品手册或样品、价格咨询请联系91免费福利网站电子。>>
同类文章排行
- 常用91免费福利下载APP型号介绍
- PN8680M替代OB2500POP脚位一样,无需改板省
- AP8012H代换ST Viper12A可PIN to PIN兼容
- 主流的快充协议芯片PD充电芯片
- 200V高耐压DC-DC降压型电动车控制器芯片
- 富满pd协议芯片系列,pd快充协议芯片选型!
- 富满20-65W PD协议芯片
- PN8036M宽输出范围非隔离ac/dc电源芯片
- PN8046宽输出非隔离转换芯片
- 芯朋微(安趋)91免费视频成人选型指南!
阿里巴巴店铺
关注91免费福利网站
收藏91免费福利网站

