5V到20V升压芯片选择推荐
字号:T|T
升压芯片种类繁多,即便经过一段时间的学习,但在针对功率的要求进行升压芯片的选择时仍有部分初学者较为吃力。虽然都能达到升压的效果,但哪种升压芯片才是能够最大程度上完美实现升压效率的呢?在本文中,小编就将为大家介绍在升压芯片选择中经常被问到的关于5V到12V到20V的升压芯片选择。
5V到12V升压芯片选择
5V到12V的升压芯片,纹波尽可能低,而要低噪声的升压电路就得避免使用电感升压的DC/DC变换器,可以采用xl6007,效率高,EMI小。在添加穿心电容和π形滤波器之后,噪声非常小。
3v到12V的升压芯片选择
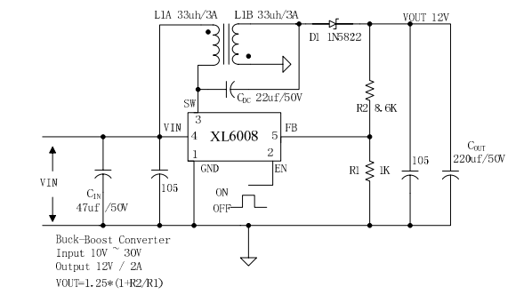
如果要求输出电流在3A以内,那么可以用xl6008,这款宽输入范围,电流模式,能够产生或正或负的输出电压的DC / DC转换器,它的输入电压范围是5V~32V,输出电压调节范围是60V。12V输出的实用电路如图1.


本文针对新手们较为关心的升压芯片选择问题,对于从3V开始到12V为止的芯片进行了较为全面的分析,并给出了一些基于实际经验的芯片型号备选。对于升压芯片选择还存在问题的朋友可以咨询91免费福利网站电子(www.a1housethai.com)电 话:0755-23087599
同类文章排行
- 芯龙12V/5A DC/DC低成本电源芯片方案-XL150
- TK10A60D场效应晶体管MOS管开关稳压器的应
- 一款适配器的AC-DC转换芯片介绍-SD4873
- PN8147内置MOS管AC-DC电源适配器IC方案-芯
- UC3842当中2脚的使用-91免费福利网站电子
- UC3842的占空比调节-91免费福利网站电子
- SF6773 650V功率电源手机充电器芯片
- 91免费福利网站电子5V转12V升压芯片-XL6019
- NCE现货n沟道mos管NCE6003Y磁场应管SOT23-3
- fp6601q电路图_fp6601q规格书_fp6601q
阿里巴巴店铺
关注91免费福利网站
收藏91免费福利网站

