推荐产品
联系91免费福利网站
深圳市91免费福利网站电子科技有限公司
电话:0755-23087599
传真:0755-23082933
邮箱:yishanbo@leweitech.com
地址:深圳市宝安区西乡鹤洲恒丰工业城B11栋5楼东
PN8306产品描述:
PN8306包括同步整流控制器及N型功率MOSFET,用于在高性能反激系统中替代次级整流肖特基91免费下载入口。PN8306内置电压降极低的功率MOSFET以提高电流输出能力,提升转换效率并降低芯片温度。
PN8306处于开关工作模式,只适用于DCM和QR工作模式的开关电源系统。当芯片检测到V SW <-400mV,控制器驱动功率MOSFET开启;当芯片检测到功率MOSFET流过的电流降低到阈值-10mV时,控制器驱动功率MOSFET关闭。该芯片提供了极为全面的辅助功能,包含输出欠压保护、输出过压钳位等功能。
PN8306产品特点:
内置13mT86; 40V Trench MOSFET
适用于DCM和QR工作模式
高精度次级电流检测电路
通过RT脚外置电阻可以灵活设置Tonmin
优异全面的辅助功能
欠压保护
过压钳位
封装/ 订购信息:
封装/ 订购信息:
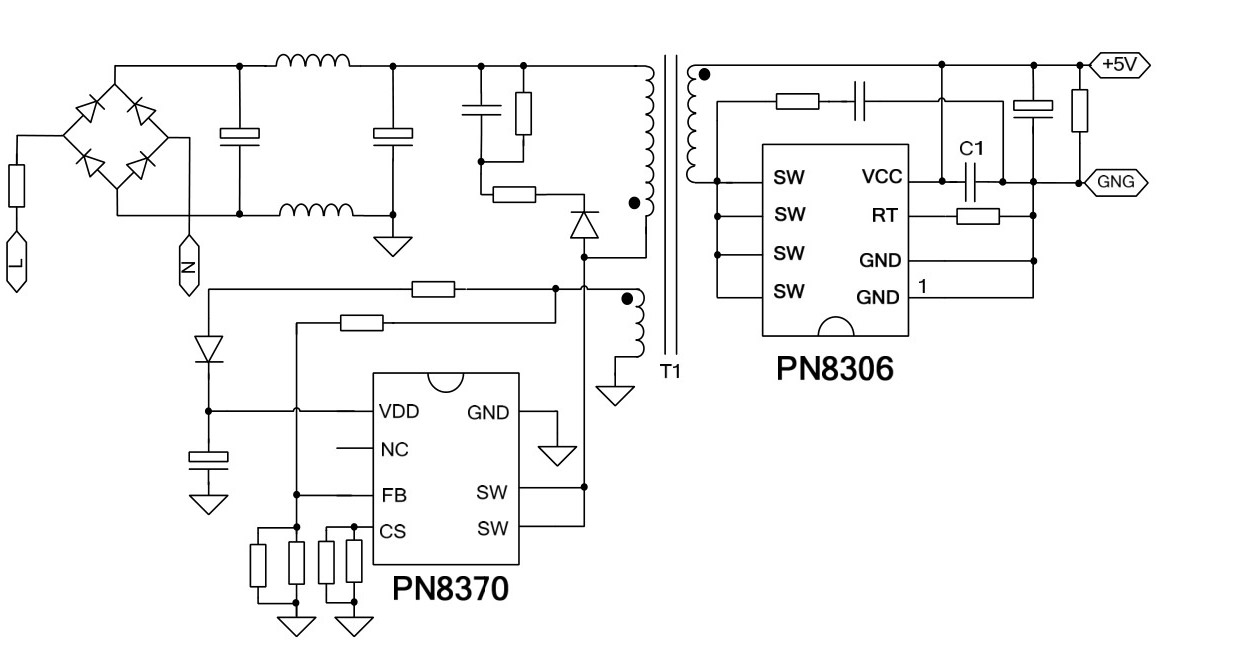
典型应用图:
tle="PN8306
阿里巴巴店铺
关注91免费福利网站
收藏91免费福利网站








