91免费福利网站,91免费下载入口,91免费视频成人,91免费福利下载APP

      充电器IC阿里店铺阿里巴巴店铺 led恒流驱动ic专业厂家关注91免费福利网站 电源IC方案公司收藏91免费福利网站 欢迎进入电源ic,led驱动ic,车充ic,充电器ic,适配器ic厂家--91免费福利网站电子官网

      车载充电器IC方案

      高级搜索

      搜索一

      搜索二

      深圳车充IC方案

      推荐产品

      联系91免费福利网站

      深圳车载充电器IC供应商
      深圳市91免费福利网站电子科技有限公司

      电话:0755-23087599

      传真:0755-23082933

      邮箱:yishanbo@leweitech.com

      地址:深圳市宝安区西乡鹤洲恒丰工业城B11栋5楼东

      prevnext

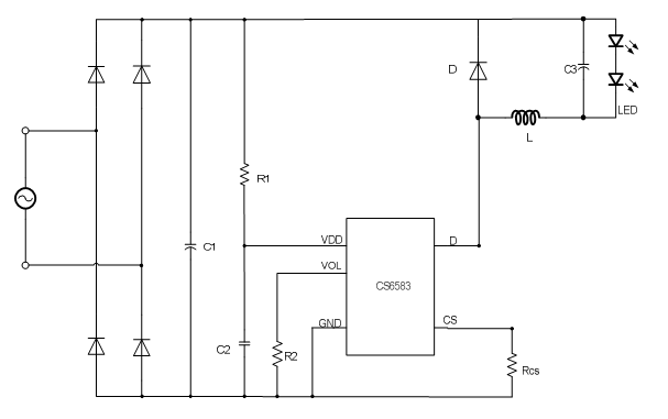
      CS6583_LED恒流非隔离驱动芯片 CS6583

      所属分类:华润华晶
      品牌:华晶
      型号:CS6583
      封装:SOP8
      功率:15W
      电流:
      订购热线:0755-23087599
      CS6583产品描述:
      CS6583是一款单电感非隔离降压型LED恒流驱动电路,工作在电感电流临界连续模式下,适用于85Vac-265Vac全电压输入范围 ,电路的工作电流极低,只需要很少的外围元件,在较大的范围内,系统的输出电流与电感量无关,电路具有优异的线性调整率和负载调整率,降压系统成本。
       
      CS6583产品特点:
      单电感非隔离降压结构
      超低工作电流
      宽输入电压
      内部集成500V高压功率MOSFET
      ±5%LED输出电流精度
      LED开路\短路保护
      CS短路保护
      过温保护功能
      封装形式:SOP8(CS6583BBO、CS6583BO、CS6583CBO、CS6583DBO)
                          DIP7(CS65L83BP)

      典型应用图




       
      产品中心 关于91免费福利网站 联系91免费福利网站
      网站地图