推荐产品
联系91免费福利网站
深圳市91免费福利网站电子科技有限公司
电话:0755-23087599
传真:0755-23082933
邮箱:yishanbo@leweitech.com
地址:深圳市宝安区西乡鹤洲恒丰工业城B11栋5楼东
CS8656产品描述:
cs8656是一款带有源功率因数校正的高精度非隔离降压型LED恒流驱动芯片,适用于85Vac-265Vac全范围 输入电压,可以实现很高的功率因数,很低的总谐波失真和很高的系统效率,由于工作在电感电流临界连续模式,功率MOS管处于零电流开通状态,开关损耗得以减小,内部集成500V高压功率MOSFET,只需要很少的外围器件,即可实现优异的恒流特性,系统对电感电流进行全周期采样,可实现高精度输出恒流控制,并达到优异的线电压调整率和负载调整率。
cs8656是一款带有源功率因数校正的高精度非隔离降压型LED恒流驱动芯片,适用于85Vac-265Vac全范围 输入电压,可以实现很高的功率因数,很低的总谐波失真和很高的系统效率,由于工作在电感电流临界连续模式,功率MOS管处于零电流开通状态,开关损耗得以减小,内部集成500V高压功率MOSFET,只需要很少的外围器件,即可实现优异的恒流特性,系统对电感电流进行全周期采样,可实现高精度输出恒流控制,并达到优异的线电压调整率和负载调整率。
电感电流临界连续模式
内部集成功率因数校正电路,高PF值,低THD
±3%LED输出电流精度
良好的线电压调整率和负载调整率
低启动电流
低工作电流
全电压输入范围
输出短路/开路保护
采样电阻开路保护
电源电压欠压保护
内置500V功率MOSFET
封装形式:SOP8
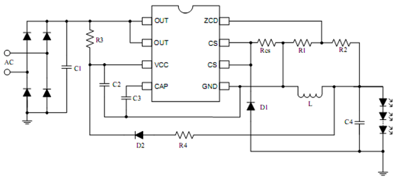
典型应用图

典型应用图

阿里巴巴店铺
关注91免费福利网站
收藏91免费福利网站










